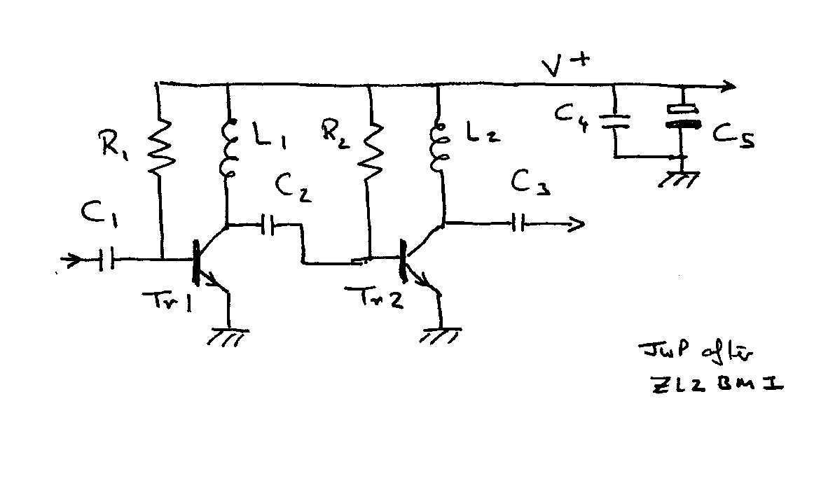
ZL2BMI's Simple Linear

The following design is copied from Sprat 83 (summer 1995) pp 12-16.

R1 - 180k
R2 - 33k
C1 - 10n
C2, 3, 4 - 100n
C5 - 100mu
L1 - 100muH axial
L2 - 15mu on ferrite
Tr1 - BC338 or 546
Tr2 - BD135 or 139
A LPF is of course required between C3 and the antenna.