WS 18 Details

The WS18 was first issued early in WW2, but they were still around in the late '50s when I was in the part-time army.

The Manual Contents

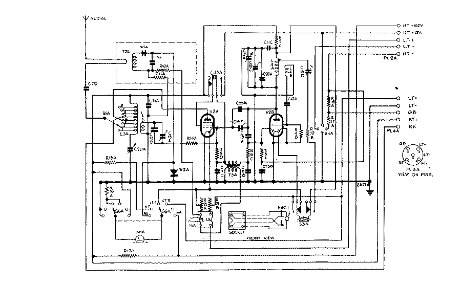
Circuits

The following are circuits of the WS18 Mk iii and the general components list for the whole series.

.. GO BACK to my Military Wireless page..